Toggle navigation
公司介绍
(current)
咨询报价
联系我们
AAI 博客
中文网站
English
Français
Portugueses
分类查找产品
按仪表系列查找
TLG-837
OMA-H2S
MCP-200
硫监控系列
TLG-837 硫磺比值仪
TLG-837 硫池气体分析仪
OMA 硫化氢分析仪
OMA 二氧化硫分析仪
总硫气体分析仪
OMA系列机型
OMA 通用介绍
OMA-300 标准型
OMA-206P 便携式
OMA-406R 机架式
OMA系列特殊应用
氨气分析仪
轻质芳烃分析仪
氯气分析仪
氟气分析仪
现场清洗分析仪
颜色分析仪
烟气连续监测分析仪
硫化氢分析仪
二氧化硫分析仪
金属离子分析仪
氮氧化物分析仪
臭味分析仪
沃泊指数分析仪
InGaAs 近红外分析仪
紫外ZETA分析仪
其它分析仪系列
OiW-200 水中油分析仪
APG-710 氢气分析仪
MCP-200 红外分析仪
TDL-406 机架式激光气体分析仪
其它仪器
Mix-2000 数字气体混合器
样品预处理系统
按测量组分查找
硫化氢
二氧化硫
氯气
氨气
按测量组分分
乙腈纯度
氨
混合芳烃 | BTX
苯 | C6H6
二氧化碳 | CO2
二硫化碳 | CS2
一氧化碳 | CO
羰基硫化物 | COS
氯气 | Cl2
二氧化氯 | ClO2
颜色 | APHA, Saybolt...
铜离子 | Cu2+
柴油
二甲基硫醚 | DMS
乙醇 | C2H6O
乙烯 | C2H4
三氯化铁 | FeCl3
氟 | F2
乙二醇
过氧化氢 | H2O2
硫化氢 | H2S
来料
铁离子 | Fe2+
MEG(乙二醇)
MEHQ(单甲基醚氢醌)
硫醇 | R-SH
金属离子
甲硫醇 | MeSH
甲烷当量 | CH4
碘甲烷 | CH3I
镍离子 | Ni2+
一氧化氮 | NO
二氧化氮 | NO2
氮氧化物 | NOX
三氯化氮 | NCl3
水中油(石油)
烯烃
恶唑
臭氧 | O3
苯酚 | C6H5OH
氢氧化钠 | NaOH
硫化物 | S2-
二氧化硫 | SO2
总硫
TBC(4-叔丁基邻苯二酚)
四氯化钛 | TiCl4
甲苯 | C7H8
透过率
钒离子
三氯氧化钒 | VOCl3
水 | H2O
二甲苯 | C8H10
更多
按实际应用查找
硫回收尾气
天然气
酸气
烟气
按实际应用分
乙腈/氰化甲烷
酸气
丙烯腈
酒精
氨逃逸
沼气
纸浆黑夜
丁二烯
催化剂预硫化
腐蚀处理
烟气连续在线监测
现场清洗
二氧化氯生产
浆液
瓶装二氧化碳气体
冷却水
原油
脱咖啡因
防冻液
脱硝反应
柴油
二氯乙烷
电镀
酸性气
火炬气
废气
氟化器
燃料气
汽油
循环氢
航空煤油
填埋气
贫胺
液化天然气
液化石油气
乙二醇
石脑油
天然气
管道气
丙烷
富胺
成品天然气
洗涤器出口
选择性(非)催化还原
海水
半导体蚀刻
酸气
烟道气
酸水
硫池
脱硫气体
合成气
克劳斯尾气
二氧化钛染料生产
总硫
氯乙烯
维他命
水源
异丙苯法工艺
按工业领域查找
硫磺回收
石油炼化
天然气
化工
按工业领域分
石油炼化
硫磺回收
天然气
环境
海洋油气田
造纸
发电
化工
航空
制药
矿业
新能源
食品及饮料
半导体
可再生能源
样品集成系统
顶空取样预处理
多组分预处理
样品集成系统
顶空取样预处理系统
多组分预处理系统
紧密耦合样品预处理系统
抽取式样品预处理系统
近海预处理系统
酸气样品预处理系统
含水预处理系统
特氟龙样品预处理系统
明星产品
TLG-837 硫磺比值仪
OMA 硫化氢分析仪
OMA 二氧化硫分析仪
OMA 通用介绍
产品大全
OMA系列机型
OMA 通用介绍
OMA-300 标准型
OMA-206P 便携式
OMA-406R 机架式
OMA系列特殊应用
氨气分析仪
轻质芳烃分析仪
氯气分析仪
现场清洗分析仪
颜色分析仪
烟气连续监测分析仪
硫化氢分析仪
金属离子分析仪
氮氧化物分析仪
气味分析仪
沃泊指数分析仪
InGaAs 近红外分析仪
紫外ZETA分析仪
硫监控系列
TLG-837 硫磺比值仪
TLG-837 硫池气体分析仪
OMA-H2S 前馈硫化氢分析仪
总硫气体分析仪
其它分析仪系列
OiW-200 水中油分析仪
APG-710 氢气分析仪
MCP-200 红外分析仪
TDL-406 机架式激光气体分析仪
其它仪器
Mix-2000 数字气体混合器
样品预处理系统
分类查询
按测量组分查询
按实际应用查询
按工业领域查询
技术中心
咨询报价 / 填写数据表
技术理念
关于AAI
公司介绍
联系我们
AAI 博客
OMA-406R
机架式
产品手册
咨询报价
仪器概况
技术图纸
外观参数
返回顶端
OMA-406R
机架式
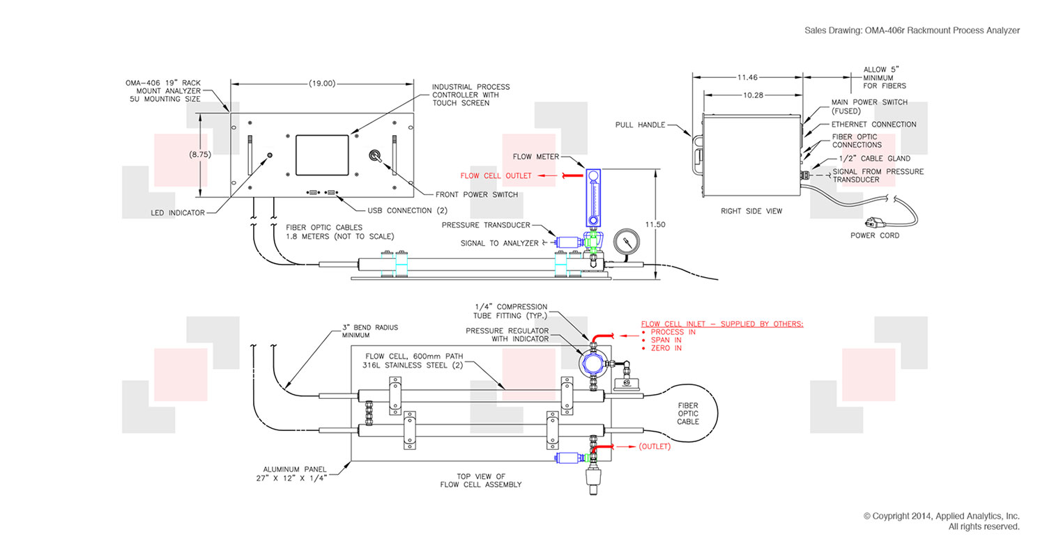
机架式OMA分析仪的设计理念是便于将分析仪集成与不同分析小屋、机柜或实验室里。本系统可以直接嵌入标准19寸机柜内。
视频:OMA-406
技术图纸
外观参数
了解性能和其它参数,请参看
OMA系列综述
。
机箱类型
钢制机架式机箱s
分析仪机箱尺寸
8.75" H x 19" W x 12.12" D
(222.3mm H x 482.6mm W x 307.8mm D)
分析仪机箱重量
20 lbs. (9 kg) 最轻
与样品气接触材质
不锈钢,氟橡胶,石英,其它材料可选
返回顶端